Home
Project Summary
Scientific/Technical
objectives and innovation
Project Workplan
Consortium
Results
Links
Project webgroup
(Restricted Access)

|
Installation of equipment at Cabauw tower
At the start of November 2004 the new equipment was installed at Cabauw tower. Shown here is an overview of the equipment in the cellar of the tower building.
 |
The CO2 measurements are now performed by a Licor 7000 monitor, stabilized at 30 (+/- 0.1) °C and 1 �bar pressure difference between cell A and B. The other greenhouse gases (CH4, N2O and SF6) and additionally CO are measured using a Agilent 6890N Gas Chromatograph. The licor precision is estimated to be 50 ppb CO2 or less. The GC concentration measurement precision ranges from a few percent (SF6) to 0.1% (CH4 and N2O). Calibration is performed daily at 1:00 UTC using four secondary standards produced by MPI Jena, these are linked directly to NOAA CMDL primary standards. Vertical concentration gradients of all gases are measured every half hour. One measurement takes five minutes. We measure at 4 heights above ground level: 200, 120, 60 and 20m. Every half hour also the concentrations of two target cylinders are measured in order to detect drift of the sensors. |
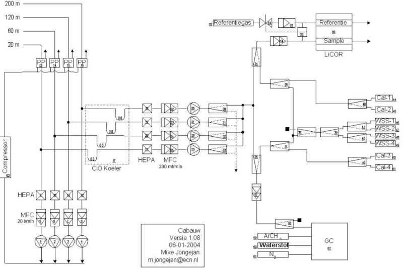
The sampling system layout is shown here. .
The flow controllers and sampling valves are mounted on the wall in easy to maintain positions.
The sample air is dried to dew points of -60 °C using a double automatically regenerating cryo cooler, the switching and selection of sample height and calibration samples is completely automated by a single PC program (called CabauwTER) that also reads the data from Licor and GC on-line. Furthermore the software stores the data in a SQL database and performs the calibration of the raw data using the on-line calibration data. The data is plotted automatically in graphs and transferred on a hourly basis to Petten through an internet link.
|